弊社は土木建設工事の中で、主にシールド工事の仮設機械設備においての計画設計をメインに計画設計業務を遂行しており、長年のシールド工事実績を基に培った技術力でご提案を行っております。
シールド工事の設計条件、施工条件等の情報をいただければ、必要な仮設備機械配置、機械詳細計画等をご提案、ご提供が可能です。
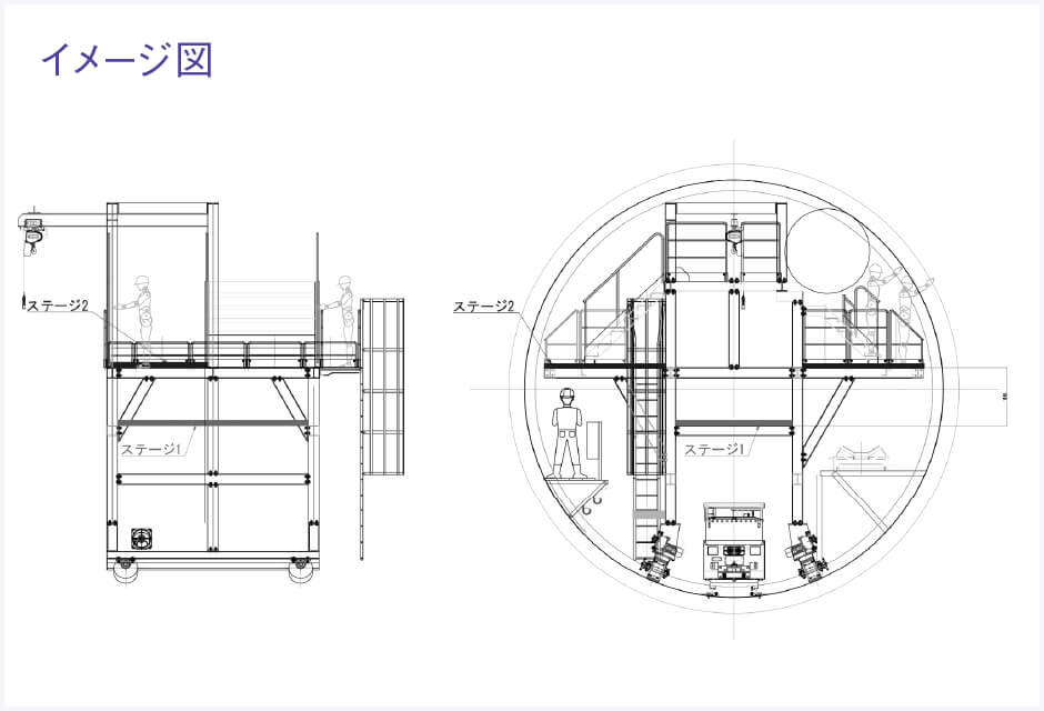
スケッチ画からでも条件・情報等をいただければ、必要な仮設備配置・機械設計ができます。
弊社は土木建設工事の中で、主にシールド工事の仮設機械設備においての計画設計をメインに計画設計業務を遂行しており、長年のシールド工事実績を基に培った技術力でご提案を行っております。
シールド工事の設計条件、施工条件等の情報をいただければ、必要な仮設備機械配置、機械詳細計画等をご提案、ご提供が可能です。
スケッチ画からでも条件・情報等をいただければ、必要な仮設備配置・機械設計ができます。